Продукція яка була знята із виробництва:
Двоканальне реле часу REV-201


Реле часу електронне двоканальне із затримкою на включення REV-201 призначено для комутації електричних ланцюгів змінного струму 220 В / 50 Гц і постійного струму 24-100 В з регульованою затримкою часу включення від 0 до 220 с.
Пристрій складається з двох незалежних реле часу (двох каналів). Відлік витримки часу кожного каналу починається з моменту подачі живлення на відповідний канал


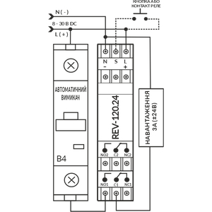
Реле часу REV-120


Реле часу REV-120 є мікропроцесорним пристроєм, призначеним для включення-виключення навантаження через задані користувачем інтервали часу.
Прилад монтується на стандартну Din-рейку і займає всього один модуль в щиті. Прилад має два вихідних канали з нормально відкритими і нормально закритими контактами. Так само на лицьовій частині приладу знаходяться: регулятор установки часового інтервалу «ΔT», регулятор установки часу «Т», регулятор установки режиму роботи «W».


Реле часу REV-114


Реле часу REV-114 є мікропроцесорним пристроєм, призначеним для включення-виключення навантаження через задані користувачем інтервали часу.
REV-114 оснащено кнопками управління і цифровим індикатором, призначеним для настройки і візуального контролю відліку часу.


Багатофункційний таймер PH-16TM


Універсальне реле РН-16ТМ (далі в тексті - реле, пристрій, РН-16ТМ) поєднує в собі функції: реле напруги, фотореле та реле реального часу.


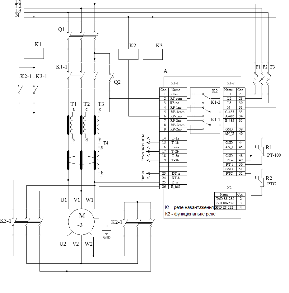
Універсальний блок захисту UBZ-302


Блок розроблено для широкого застосування в інженерних системах будівель і споруд (опалення, вентиляція, водопостачання, кондиціонування), АСУ ТП і системах промислової автоматизації, контролю, обліку та диспетчеризації.
Блок дозволяє значно знизити ймовірність відмов 3-х фазного електрообладнання, зменшити вартість експлуатації, оптимізувати споживання електроенергії та значно підвищити зручність експлуатації.
Має повних набір захистів, реалізованих в UBZ-301. Додатково забезпечує захист від затягнутого пуску і блокування ротора, здійснює контроль перегріву обмоток двигуна за допомогою температурних датчиків.


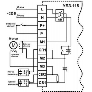
Універсальний блок захисту UBZ-115


UBZ-115 призначений для захисту однофазних асинхронних електродвигунів потужністю до 5,5 кВт (25А).
Прилад забезпечує постійний контроль параметрів мережевої напруги і струму, споживаного двигуном.
У UBZ-115 передбачений зовнішній вхід для дистанційного запуску або зупинки двигуна, і функція “плавного пуску” двигуна до 5 секунд.
Установка пускової і робочої ємності проводиться безпосередньо в корпус приладу.


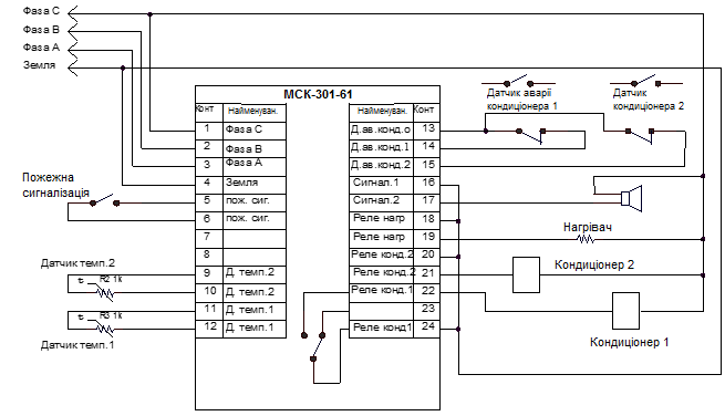
Контролер МСК-301-61


Контролер керування температурними приладами MCK 301-61 призначений для управління клімат приладами в приміщенні і виконують такі функції: контролює температуру за допомогою двох незалежних термодатчиков
відображає середню температуру в приміщенні
контролює справність і керує роботою двох незалежних кондиціонерів
відключає всі клімат прибори при надходженні сигналу про пожежу
Контролює і повідомляє про несправність термодатчиков


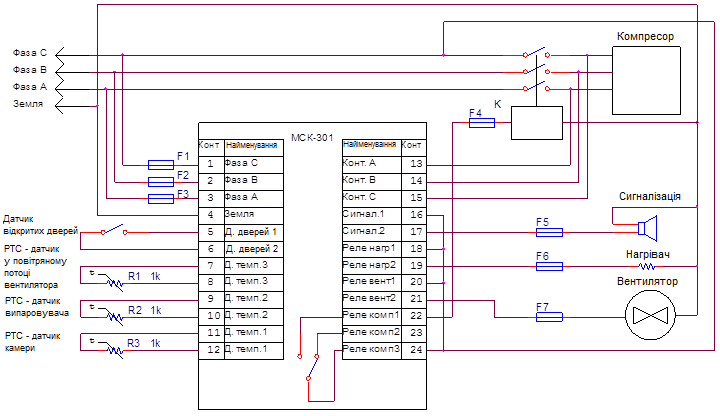
Контролер МСК-301-86


Блок управління середньо- і низькотемпературні холодильними машинами з автоматичною оттайкой МСК-301-86 призначений для управління морозильними камерами, холодильними прилавками, моноблоками та іншим холодильним торговельним і промисловим обладнанням.
Пристрій автоматично підтримує температуру морозильної камери і випарника, а також, залежно від встановленого режиму роботи, температуру другого
випарника або температуру в повітряному потоці вентилятора.


Контролер інтерфейсу RS-485 EM-480


EM-480 забезпечує збір даних з підключених пристроїв MODBUS, передачу даних на сервер, доступ до даних (за протоколом MODBUS TCP або за допомогою текстових повідомлень SMS), відстеження подій і реакцію на події (відправлення SMS-сповіщень, запис значень у пристрої MODBUS).


Реле напруги VC-115


Реле напруги VC-115 ”Volt Control” (VC-115 - світлий корпус, VC-115T – корпус темного коліру; в подальшому - VC-115) призначене для захисту побутової техніки (обладнання) потужністю до 3,5 кВт (холодильників, кондиціонерів, пральних машин, теле-аудіо техніки і т .ін.) від недопустимих коливань напруги в
мережі і наслідків обриву нейтралі.


Реле напруги РН-101М


Реле напруги РН-101М призначене для відключення побутового та промислового однофазного навантаження 220 В, 50 Гц при неприпустимих коливаннях напруги в мережі з автоматичним повторним включенням після відновлення всіх параметрів мережі.


Реле напруги RN-113


Реле напруги РН-113 призначене для відключення побутового та промислового однофазного навантаження 220 В, 50 Гц при неприпустимих коливаннях напруги з подальшим автоматичним включенням після відновлення параметрів мережі.
При потужності навантаження до 7,0 кВт (струм до 32 А) відключення відбувається безпосередньо РН-113, вихідні контакти якого включені в розрив живлення навантаження.
При потужності, яка перевищує 7,0 кВт (струм більше за 32 А) відключення проводиться магнітним пускачем відповідної потужності, у розрив живлення котушки якого включено вихідні контакти РН-113.

