Products that have been discontinued:
Two-channel electronic time relay REV-201


The electronic two-channel time relay with switching delay REV-201 is designed for switching electrical circuits of 220 V / 50 Hz AC and 24-100 V DC with an adjustable switching delay from 0 to 220 s.
The device consists of two independent time relays (two channels).
The time delay of each channel starts from the moment the corresponding channel is energised.


Time delay relay REV-120


The REV-120 time relay is a microprocessor-based device designed to switch the load on and off at user-defined intervals.
The device is mounted on a standard din rail and takes up only one module in the panel.
The device has two output channels with normally open and normally closed contacts. Also on the front of the device are: a time interval setting regulator ‘ΔT’, a time setting regulator ‘T’, a mode setting regulator ‘W’.


Time delay relay REV-114


The REV-114 time relay is a microprocessor-based device designed to switch the load on and off at user-defined time intervals.
The REV-114 is equipped with control buttons and a digital indicator for setting and visual control of the time countdown.


Multifunctional timer PH-16TM


Multifunctional timer RN-16TM combines the functions of:
Voltage relay
Photo relay
Real-time relay
It is designed for:
Turning the load on/off according to user-defined on/off times
Disconnecting the load during unacceptable voltage fluctuations in the network, followed by automatic reconnection after the network parameters are restored
Turning the load on/off based on user-defined light levels


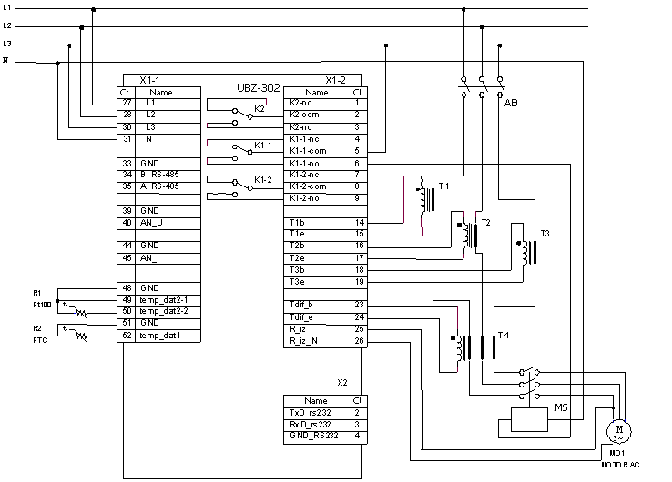
Uniwersalny moduł zabezpieczenia silników UBZ-302


Blok zaprojektowano do szerokiego zastosowania w systemach inżynieryjnych budynków i obiektów (ogrzewanie, wentylacja, zaopatrzenie w wodę, klimatyzacja), systemach automatyki procesów technologicznych (АСУ ТП) oraz systemach przemysłowej automatyzacji, kontroli, ewidencji i dyspozycji.
Blok pozwala znacznie zmniejszyć prawdopodobieństwo awarii trójfazowego sprzętu elektrycznego, zmniejszyć koszty eksploatacji, zoptymalizować zużycie energii elektrycznej oraz znacznie zwiększyć komfort użytkowania.


Protection unit with the possibility of soft start UBZ-115


The UBZ-115 is designed to protect single-phase asynchronous electric motors with a capacity of up to 5.5 kW (25A).
The device provides continuous monitoring of the mains voltage and current consumed by the motor.
The UBZ-115 has an external input for remote start or stop of the motor, and a ‘soft start’ function for up to 5 seconds.
Installation of the starting and operating capacitance is carried out directly into the device body.


Voltage relay VC-115


VC-115 voltage relay is designed to protect household appliances (equipment) with a power capacity of up to 3.5 kW (such as refrigerators, air conditioners, washing machines, TV and audio equipment, etc.) from unacceptable voltage fluctuations in the network and the effects of a neutral wire break.


Voltage relay РН-101M


PH-101M voltage relay is designed to disconnect household and industrial single-phase loads of 220V, 50Hz in case of unacceptable voltage fluctuations in the network, with automatic reconnection after the network parameters are restored.

